欢迎来到武汉光谷!
加入收藏
|
设为首页
无障碍访问
首页
政务信息公开
解读回应
网上服务
互动交流
世界光谷
专题专栏
中央人民政府门户网站
|
湖北省政府门户网站
智能问答
|
无障碍浏览
|
长者专区
|
ENGLISH
首页
政府信息公开
解读回应
网上服务
互动交流
世界光谷
首页
»
政府信息公开
»
地方部门平台链接
»
区环境水务局
»
法定主动公开内容
»
公益事业建设
»
生态环境
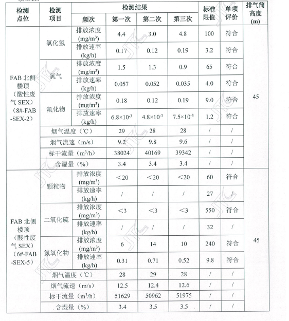
武汉华星光电技术有限公司监测信息
2023-12-01 00:00
来源:
武汉东湖新技术开发区生态环境和水务湖泊局
分享到
相关解读
关联政策
关联内容
相关文章
扫一扫在手机上查看当前页面
×
您访问的链接即将离开“
”门户网站 是否继续?